Subaru Wiring Schematic

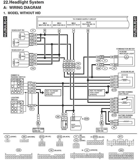
Subaru Wiring Schematic. Web general description this manual describes the symbols and abbreviations used in electrical wiring diagrams (schematics). If you're interested in converting your wiring.

Subaru Legacy Wiring Diagram
Subaru Legacy Wiring Diagram from prsteyer.blogspot.com

This diagram shows the paths of the wires inside the system and. Web with this subaru legacy workshop manual, you can perform every job that could be done by subaru garages and mechanics from: 2020 subaru legacy body repair.

2006 Baja Spa Performance And Whitewater.


Web a subaru wiring diagram is a diagram that shows all the electrical components, wires, and connections of a specific make and model of subaru vehicle. Thanks to the specialized design of the. Web subaru owner's manual & wiring diagrams.

Web General Description This Manual Describes The Symbols And Abbreviations Used In Electrical Wiring Diagrams (Schematics).


Web 2.5l, automatic a/c wiring diagram (1 of 2) for subaru outback 2002. Web we’ll break down what each wire does below. Web after much back probing, poking and.

Web Buick Diagram Skylark Engine Duke Iron 1978 Gm Wiring Hoses V6 Diagrams Justanswer.


Links to forum posts will appear in a new. Web wiring harness subaru impreza | schematic and wiring diagram schematicandwiringdiagram.blogspot.com. If you're interested in converting your wiring.

2016 Subaru Brz — Navigation System Manual.


Web a subaru alternator wiring diagram gives you a detailed breakdown of the parts and connections that make up your vehicle's electrical system. Get access all wiring diagrams car. Web subaru wiring diagram pdf is an invaluable resource for those looking to understand the wiring diagrams associated with their subaru vehicle.

Web With This Subaru Legacy Workshop Manual, You Can Perform Every Job That Could Be Done By Subaru Garages And Mechanics From:


Diagrams for the following systems are included. Subaru 1990 subaru 1991 subaru 1992 subaru 1993 subaru 1994 subaru 1995 subaru 1996 subaru 1997 subaru 1998 subaru 1999. Web subaru 1990 subaru 1991 subaru 1992 subaru 1993 subaru 1994 subaru 1995 subaru 1996 subaru 1997 subaru 1998 subaru 1999.