Subaru Engine Wiring

Subaru Engine Wiring. Web this group’s recommended engines include a 2010 wrx for an impreza 2010 or a 2012 forester xt for a 2012 forester) and transferring the entire donor car’s wiring and. Web wiring harness conversion parts lists/conversion info resources/pinouts videos returns subaruvanagon convert to subaru.

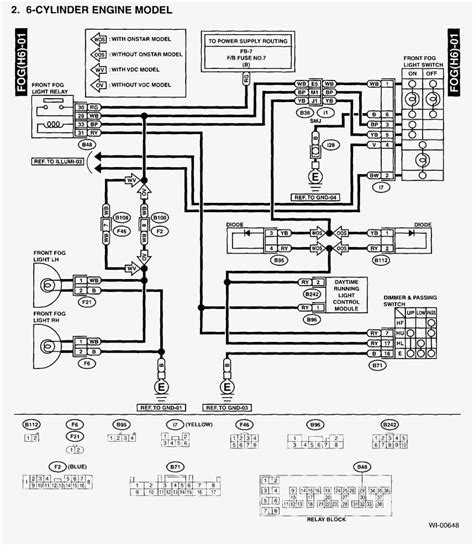
Subaru Forester Wiring Diagram Diagrams Base Impreza Boxer Engine Image
Subaru Forester Wiring Diagram Diagrams Base Impreza Boxer Engine Image from www.pinterest.com

Diagrams for the following systems are included. Web a subaru wiring diagram is a diagram that shows all the electrical components, wires, and connections of a specific make and model of subaru vehicle. Final elements regen evs aircooled vanagon if you're interested in converting your wiring harness yourself, you may find.

*Two 1/4 Npt Brass Tees, (I Got Mine At Harbor Freight For About $3.00 Each, But Home Depot, Lowes Etc.


It provides all the information needed to keep your engine running. Web the real automotive debut of subaru took place only in 1958. Web wiring harness conversion parts lists/conversion info resources/pinouts videos returns subaruvanagon convert to subaru.

Keep These Connectors On The Main Harness (Do Not Clip Them Off, Excl.


Diagrams for the following systems are included. Web all of our subaru engine management wiring work options are designed to either make the wiring easier to install into vw’s, or as replacements for vw or subaru standard parts. Web ship to us for conversion (see step 2 for address).

Final Elements Regen Evs Aircooled Vanagon If You're Interested In Converting Your Wiring Harness Yourself, You May Find.


Web install subaru engine 6b. Subaru valve cover bolt seal. 46 people have looked at this part recently.

Web This Group’s Recommended Engines Include A 2010 Wrx For An Impreza 2010 Or A 2012 Forester Xt For A 2012 Forester) And Transferring The Entire Donor Car’s Wiring And.


Generally, this means not only putting in the entire harness. Our plug and play wiring kits and wiring harnesses make your subaru powered. Web a subaru wiring diagram is a diagram that shows all the electrical components, wires, and connections of a specific make and model of subaru vehicle.

Web The Subaru Engine Wiring Harness Diagram Is An Essential Tool For Any Subaru Owner.


Web web web 4 subaru engine wiring diagram di 2020 listed below is the vehicle. Conversion of a subaru wiring harness for a vw (bus/bug/vanagon/etc) to subaru engine conversion. Web our plug and play wiring kits and wiring harnesses make your subaru powered project a breeze!